企业流程运营是构建公司效益的关键,涉及前期策划、过程管理和综合运营管理,其中供应、生产和销售的三个核心环节需保证高效运作以实现盈利目标,除了常规业务操作外,成本控制和员工绩效考核也是提升执行力的关键措施之一,预算程序和电商平台运营模式解析为企业成功的重要组成部分,企业文化管理模式及手续办理流程的遵循同样重要,初创企业应全面考虑管理体系的构建以确保长远发展之计策也。
每一个项目的良好运转是公司效益的源泉,项目运行的好坏取决于前期策划及过程管理,其主要运营流程如下:
前期策划阶段
- 草拟与签署合同: 由部门负责人根据市场情况制定初步的项目策划书和合同草案;经由公司负责人审核并最终签定正式合同。
- 分析策划成果: 项目相关内容转至各相关部门进行深入分析和评估,并对项目部负责人员进行详细交底工作目标责任书的签订后进入现场实施环节。
过程管理阶段
- 整体策略规划: 分析产品现状和市场环境来决定相应的运营策略(如种子用户获取或付费转化)。
- 业务流程优化: 企业日常业务活动包括研发、生产、销售等关键环节的管理和协调至关重要,例如在产品研发过程中注重技术创新以及产品的持续迭代升级以满足市场需求变化。
企业综合运营管理
- 工作规章与职责: 建立明确的工作规章制度和相关岗位职责确保企业的正常运作和发展方向正确性。
- 综合管理与监控: 通过战略管理和营销管理等手段对企业资源进行有效配置利用同时通过财务指标对商业模式绩效进行实时跟踪监测以实现商业模型的持续改进和升级。
具体行业运营细节
工业企业的经营流程
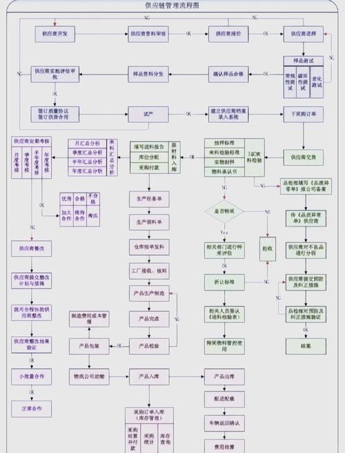
涉及供应、生产和销售的三个核心环节其中供应需保证原材料零部件采购充足以确保生产的连续性和高效性而生产则直接产出满足客户需求的产品最后经过销售渠道将产品销售给客户完成整个生产经营循环。
加工业小企业的特别关注点
除了常规的业务操作外还需特别注意成本控制特别是原料质量和价格的比较人工能耗等方面的成本管控此外员工培训绩效考核也是提升其执行力的有效途径之一。
企业运营流程详解
定义与目的
企业运营流程是什么?
企业运营是指围绕既定的商业模型构建合适的组织架构并通过一系列步骤和程序来实现这一模型的过程旨在不断改善和提高企业在市场竞争中的表现和盈利能力,这其中包括了从产品设计到售后服务等一系列的操作和管理行为。
重要组成部分
预算程序:包含预算编制审批分发核销等多个环节是企业财务管理的重要一环有助于控制支出提高资金使用效率。
- 费用核销程序:针对特定费用的报销申请需要按照规定的流程逐级审批以保证资金的合理使用和控制风险的发生率,对于特殊金额的费用还需要更高层级的批准才能生效。
电商平台运营模式解析:电商平台的成功离不开八大基本流程即市场调研定位再到具体的推广活动和数据分析等等这些都需要专业团队去精心规划和执行以达到最佳效果,每个环节都紧密相连缺一不可共同构成了电商平台成功的基石。 三、其他领域应用举例——创业初期中小型企业参考建议 尽管技术+市场的组合很重要但企业文化管理模式流程化信息化应用等方面同样不容忽视它们都是构成一个完整且具有竞争力的企业管理体系不可或缺的部分特别是在初创期更需要全面考虑周全方能取得长远发展之计策也! 四办理手续说明 无论是个体工商户还是农村经营业户或者个人独资企业注册均需遵循一定得手序前往当地有关部门提交相应材料获得许可后方可开展经营活动具体为携带身份证房产证照片等相关资料先向工商所提出书面申请填写表格待名称核准通知书下来后再行后续登记事宜如有环保要求还得再往环保局报批环评证明方可继续推进进程总之每一步都得按章办事不能有半分马虎否则会影响到日后的发展甚至面临法律制裁所以请务必谨慎对待切勿因一时疏忽大意造成无法挽回的局面发生那样就太不值得啦!




















